บริษัท ฉางซุย เทคโนโลยี กรุ๊ป จำกัด

เช็ควาล์วเก็บเสียงHC41X-16Q

  • เช็ควาล์วเก็บเสียงHC41X-16Q
  • เช็ควาล์วเก็บเสียงHC41X-16Q
  • เช็ควาล์วเก็บเสียงHC41X-16Q
  • เช็ควาล์วเก็บเสียงHC41X-16Q
  • เช็ควาล์วเก็บเสียงHC41X-16Q
  • เช็ควาล์วเก็บเสียงHC41X-16Q

เช็ควาล์วเก็บเสียงHC41X-16Q

เช็ควาล์วตัวเก็บเสียงส่วนใหญ่เหมาะสำหรับระบบจ่ายน้ำและระบบระบายน้ำของอาคารสูง ระบบจ่ายน้ำแบบท่อดับเพลิง ฯลฯ เช็ควาล์วตัวเก็บเสียงนี้สามารถป้องกันไม่ให้ตัวกลางไหลย้อนกลับและก่อให้เกิดค้อนน้ำทำลายล้างได้อย่างมีประสิทธิภาพ และปกป้องปั๊มน้ำและอุปกรณ์ท่ออื่น ๆ ลักษณะการทำงานหลักของวาล์วมีดังนี้ 1. วาล์วนี้สามารถติดตั้งในแนวตั้งหรือแนวนอน วาล์วสามารถยกขึ้นและลดได้อย่างยืดหยุ่น และทำงานได้อย่างราบรื่น มีเสียงรบกวนต่ำ ปลอดภัย และไม่ค่อยมีข้อผิดพลาด 2. โครงสร้างที่เหมาะสมและประสิทธิภาพการปิดผนึกที่ดี 3. ทนต่อการสึกหรอและอายุการใช้งานยาวนาน

  • เช็ควาล์วเก็บเสียงHC41X-16Q
  • เช็ควาล์วเก็บเสียงHC41X-16Q
  • เช็ควาล์วเก็บเสียงHC41X-16Q
  • เช็ควาล์วเก็บเสียงHC41X-16Q
  • เช็ควาล์วเก็บเสียงHC41X-16Q
  • เช็ควาล์วเก็บเสียงHC41X-16Q
Contact us

Description

วัสดุตัวเครื่อง

เหล็กหล่อกลม

รุ่น

HC41X-16Q

ข้อมูลจำเพาะ

DN40-600

ความดันที่กำหนด

1.0/1.6/2.5Mpa

อุณหภูมิในการทำงาน

0-80°ซ

สื่อที่เกี่ยวข้อง

น้ำ

มาตรฐานการออกแบบ

GB/24924-2011


ภาพรวมผลิตภัณฑ์

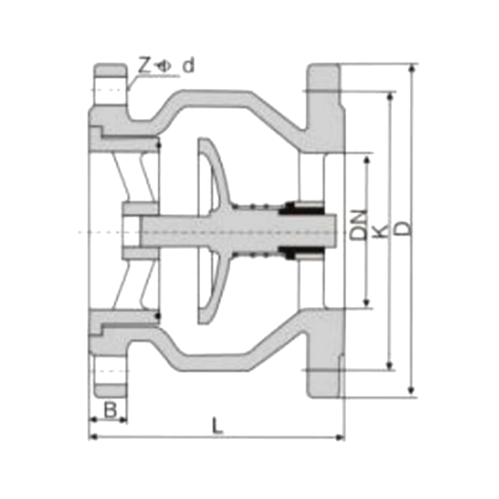
เช็ควาล์วแบบเงียบหมายถึงวาล์วที่อาศัยการไหลของตัวกลางเพื่อเปิดและปิดแผ่นวาล์วโดยอัตโนมัติเพื่อป้องกันการไหลย้อนกลับของตัวกลาง เรียกอีกอย่างว่าเช็ควาล์ว วาล์วทางเดียว เช็ควาล์วตัวเก็บเสียง วาล์วทวน และวาล์วแรงดันย้อนกลับ - หน้าที่หลักคือป้องกันการไหลย้อนกลับของตัวกลาง ป้องกันการหมุนย้อนกลับของปั๊มและมอเตอร์ขับเคลื่อน และปล่อยสื่อในภาชนะ นอกจากนี้ยังสามารถใช้กับท่อที่จ่ายระบบเสริมซึ่งแรงดันอาจสูงกว่าแรงดันของระบบ ส่วนใหญ่ใช้สำหรับท่อบริสุทธิ์และอุตสาหกรรม การคุ้มครองสิ่งแวดล้อม การบำบัดน้ำ น้ำประปาในอาคารสูง และท่อระบายน้ำเพื่อป้องกันการไหลย้อนกลับของสื่อ

คุณสมบัติผลิตภัณฑ์

แผ่นวาล์วถูกนำทางโดยแกนกลางที่ปลายทั้งสองด้านของทางเข้าและทางออก เปิดและปิดได้อย่างยืดหยุ่น และสามารถติดตั้งในแนวนอนหรือแนวตั้งได้ แผ่นวาล์วมีสปริงโหลด และการปิดอย่างรวดเร็วสามารถลดแรงดันค้อนน้ำได้อย่างมีประสิทธิภาพ พร้อมประสิทธิภาพการปิดผนึกที่ดีและไม่มีเสียงรบกวนเมื่อปิด ทนทานต่อการสึกหรอและมีอายุการใช้งานยาวนาน


วัสดุชิ้นส่วนหลัก

หมายเลขซีเรียล ส่วนหลัก วัสดุ
1 ตัววาล์ว QT450
2 แหวนวาล์ว QT450
3 แผ่นดิสก์ ประกอบยาง
4 ฤดูใบไม้ผลิ สแตนเลส
5 ก้าน 2CR13

พารามิเตอร์ทางเทคนิคของผลิตภัณฑ์

ข้อมูลจำเพาะ (DN) 50 65 80 100 125 150 200 250 300 350 400
ความยาววาล์ว(มิลลิเมตร) 120 132 150 162 188 207 253 278 310 350 390
ทดสอบแรงดัน
(เมปาสคาล)
ที่อยู่อาศัย 1.5-2.4
ซีล 1.1-1.76
ความดันที่กำหนด(MPa) 1.0-1.6
อุณหภูมิที่ใช้งานได้ 0-80 ℃
สื่อที่เกี่ยวข้อง น้ำและของเหลวที่มีฤทธิ์กัดกร่อนเล็กน้อย

ABOUT Changshui

Advanced Technologies for Efficient and Reliable Operations

บริษัท ฉางซุย เทคโนโลยี กรุ๊ป จำกัดis a valve integrating R&D, manufacturing, sales and service The manufacturer is currently one of the main suppliers of general-purpose valves in China. The main products are: gate valves, globe valves, butterfly valves, ball valves, check valves, regulating valves, pressure reducing valves, diaphragm valves, plug valves, plunger valves, drains Valves, hydraulic control valves, etc.

High-quality products have been praised and respected by users in various industries, and are widely used in construction, heating, water supply, petroleum, chemical, electric power and other industries! The purpose of the company is to contribute to society with high-quality products. 'Our goal is to make users satisfaction'. Our quality policy is: "Meet users' needs and expectations for product quality and leap forward First-class quality management level, manufacturing first-class products, creating first-class services, "CSHUValve Industry has The company is willing to work with new and old friends, and colleagues in the society, and users at home and abroad to join hands again, and Floor, create new glory!


ข่าว
Message Feedback
  • การกดปุ่ม "ส่ง" แสดงว่าคุณได้ตกลงกับบริษัทแล้ว ใช้เพื่อจัดการข้อมูลส่วนบุคคล